Skip to main content

175 Gallon 30 Degree Cone Bottom Tank with Poly Stand: Complete Buyer's Guide

175-gallon white cone bottom tank built for full-drain mixing and batch processing. Manufactured by Norwesco from virgin linear polyethylene (HDPE) rated to handle liquids up to 12.5 pounds per gallon. FDA approved for contact with potable water, ensuring safe storage for drinking water and food-grade liquids.

Product Overview

The 175 Gallon 30 Degree Plastic Cone Bottom Tank with Poly Stand in White is designed for chemical processors, water treatment plants, and agricultural operations requiring complete tank drainage. At 175 gallons, this cone bottom tank is sized for batch processing, chemical mixing, and applications where complete drainage between cycles is non-negotiable. The cone geometry eliminates the dead volume that flat-bottom tanks leave behind.

Constructed from virgin linear polyethylene (HDPE) using a single-piece rotational molding process that eliminates seams, weld lines, and potential leak points. Rated to 1.5 specific gravity, this tank handles liquids up to 12.5 pounds per gallon — covering the full range of agricultural chemicals, liquid fertilizers, and most industrial solutions. The wall thickness is engineered specifically for this density range. Translucent white walls allow visual level monitoring without opening the tank and reflect sunlight to keep contents cooler. Maximum operating temperature is 120 F / 48 C, with UV stabilizers compounded directly into the resin for outdoor service life.

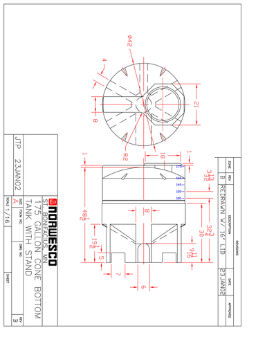
This tank measures 49 inches tall with a 43-inch diameter, requiring 10.1 square feet of level ground. Empty weight is 97 pounds. At full capacity with a 1.5 SG liquid, expect approximately 2,286 pounds on the foundation. Requires a reinforced concrete pad designed for the full loaded weight, with at least 6 inches of compacted gravel sub-base. Must be installed on the manufacturer-supplied or compatible stand rated for the full loaded weight. Never rest a cone bottom tank directly on its apex.

Comes equipped with a 2" NPT outlet fitting installed at the factory. No inlet fitting is included — drill and install a bulkhead fitting at your preferred height for your specific plumbing layout. The 16" lid opening provides ample access for interior inspection, cleaning, and installation of float switches, level sensors, or submersible pumps. We recommend schedule 80 PVC or polypropylene fittings on the 2" NPT outlet with a ball valve for positive shutoff.

Norwesco is the largest manufacturer of rotationally molded poly tanks in North America, operating over 20 manufacturing plants across the U.S. and Canada. Every tank is produced from proprietary resin formulations and backed by decades of rotomolding expertise. Backed by a 3-year manufacturer warranty from Norwesco against defects in materials and workmanship under normal use conditions. FDA approved for contact with potable water and food-grade liquids. Every tank is inspected before it leaves the production floor — and we inspect it again before it ships from our facility.

Technical Drawing

175 Gallon 30 Degree Cone Bottom Tank with Poly Stand - Technical Drawing

Official Norwesco technical drawing — 175 Gallon 30 Degree Cone Bottom Tank with Poly Stand

Key Features and Specifications

  • 175-gallon capacity — sized for full-drain mixing and batch processing
  • Constructed from virgin linear polyethylene (HDPE) with 1.5 specific gravity rating — handles liquids up to 12.5 lbs/gal
  • 49" tall x 43" diameter — compact vertical footprint
  • 97 lbs empty, approximately 2,286 lbs when full at rated specific gravity
  • 2" NPT outlet fitting — factory installed and leak-tested
  • 16" lid opening for fill, venting, and interior access
  • FDA approved for potable water and food-grade liquid contact
  • 3 Year Warranty from Norwesco against manufacturing defects
  • Translucent white walls allow visual level monitoring without opening the tank and reflect sunlight to keep contents cooler
  • Rated for continuous service up to 120 F / 48 C
  • Seamless one-piece rotational molding — no seams, no welds, no leak points
  • Manufactured by Norwesco — a leading name in rotomolded polyethylene tanks
  • Must be installed on the manufacturer-supplied or compatible stand rated for the full loaded weight. Never rest a cone bottom tank directly on its apex
  • Ships via LTL freight on a pallet — residential delivery with lift gate available

Installation and Setup Guide

Proper installation is the single most important factor in the long-term performance of the 175 Gallon 30 Degree Cone Bottom Tank with Poly Stand. A correctly installed tank will deliver years of trouble-free service. A poorly installed tank — sitting on uneven ground, exposed to point loads, or without proper support — can fail prematurely regardless of build quality.

Site Preparation

Start with site selection. Choose a location with good drainage that keeps water from pooling around the base. The tank needs a level surface of compacted gravel or concrete. Remove all rocks, roots, debris, and sharp objects from the pad area. The surface must be flat within 1/4 inch across the full diameter of the tank. An uneven foundation creates stress concentrations in the tank wall that accumulate over thousands of fill cycles.

Placement and Connections

Leave a minimum of 12 inches of clearance on all sides for inspection access, plumbing connections, and maintenance. Position the outlet fitting where your plumbing run is shortest — every additional foot of horizontal pipe adds friction loss and potential leak points. Use flexible connectors (not rigid pipe) for the first 12 inches from any tank fitting. Polyethylene tanks expand and contract with temperature changes, and rigid connections will crack or pull the fitting loose.

Venting

Every closed tank needs proper venting. As liquid flows out, air must flow in — otherwise vacuum pressure can collapse the tank walls. As liquid flows in, air must flow out — otherwise pressure can bulge or rupture the tank. A simple screened vent fitting in the lid handles both directions. For chemical storage, use a pressure/vacuum relief vent rated for the specific chemical being stored.

Maintenance and Long-Term Care

Polyethylene tanks are inherently low-maintenance, but "low" does not mean "zero." A basic inspection routine catches small problems before they become expensive failures.

Quarterly Inspection Checklist

  • Visual inspection: Walk around the tank and look for bulging, discoloration, cracks, or weeping at fittings. Poly tanks telegraph stress before they fail — a bulge means something is wrong with the foundation or the liquid is exceeding the rated specific gravity.
  • Fitting check: Hand-tighten all threaded connections. Polyethylene creeps under sustained pressure, and fittings can loosen over time. Do not use pipe wrenches on poly fittings — hand tight plus one-quarter turn is the limit.
  • Foundation check: Verify the pad is still level and the tank hasn't shifted. Look for erosion, settling, or washout around the base.
  • Vent check: Confirm the vent is clear and the screen isn't clogged with debris or insect nests. A blocked vent is the most common cause of tank deformation.

Cleaning

For water storage tanks, drain and flush annually. Sediment accumulates at the bottom and can harbor bacteria. Use a food-grade sanitizing solution (1/4 cup unscented household bleach per 15 gallons of water), let it sit for 2 hours, then drain and flush until the chlorine smell is gone. For chemical storage, follow the chemical manufacturer's guidelines for cleaning and decontamination before switching chemicals.

UV and Weather Protection

These tanks include UV stabilizers compounded into the resin, but no UV additive lasts forever. If the tank is in direct southern sun exposure for more than 8 hours per day, inspect the sun-facing side annually for chalking or color fading. A simple shade structure or reflective wrap extends service life significantly in extreme UV environments like the Desert Southwest.

Alternatives and Comparisons

The 175 Gallon 30 Degree Cone Bottom Tank with Poly Stand is one of several 175-gallon options available. Understanding the differences helps you pick the right tank for your specific application rather than settling for the first option you find.

Cone Bottom vs. Flat Bottom: Cone bottom tanks allow complete drainage without tilting or pumping. The trade-off is you need a stand, which adds height and cost. If your application doesn't require 100% drainage between batches, a flat-bottom tank is simpler and cheaper.

Frequently Asked Questions

How long will the 175 Gallon 30 Degree Cone Bottom Tank with Poly Stand last?

Under normal conditions with proper installation and maintenance, you can expect 15 to 20 years of service life. The UV-stabilized polyethylene resists degradation from sunlight, and the seamless rotomolded construction eliminates weld failures. Actual lifespan depends on chemical exposure, UV intensity, temperature cycling, and whether the tank was installed on a proper foundation. Tanks used within their rated specific gravity and temperature limits consistently reach or exceed the 15-year mark.

What chemicals can I store in this tank?

This tank is rated to 1.5 specific gravity and handles most agricultural chemicals, fertilizers, herbicides, pesticides, and industrial cleaning solutions within that density range. It is FDA approved for potable water and food-grade liquids. However, it is NOT suitable for gasoline, diesel, solvents, or any flammable liquid. Always check the chemical compatibility chart before storing a new chemical — polyethylene is resistant to most acids and bases but can be damaged by certain hydrocarbons and oxidizers.

What kind of foundation does a 175-gallon tank need?

A full 175-gallon tank at 1.5 SG weighs approximately 2,286 pounds. A level surface of compacted gravel or concrete works well. The critical requirement is that the surface must be flat and free of rocks or debris. An uneven foundation is the number one cause of premature tank failure.

Does this tank come with a warranty?

Norwesco backs this tank with a manufacturer warranty against defects in materials and workmanship under normal use conditions. The warranty covers manufacturing defects — cracks, pinholes, material failures, and fitting defects that are present from the factory. It does not cover damage from exceeding the rated specific gravity, improper installation, chemical attack from incompatible substances, or physical impact damage. Keep your receipt and installation photos for warranty claims.

Can I install this tank underground?

No. This is an above-ground storage tank. Polyethylene vertical tanks are not engineered to withstand the hydrostatic pressure of surrounding soil. Burying this tank would void the warranty and risk catastrophic collapse. If you need underground storage, look at our underground cistern and septic tank categories — those are specifically engineered with ribbed walls and reinforced construction to handle burial loads.

Buying Considerations

Before ordering the 175 Gallon 30 Degree Cone Bottom Tank with Poly Stand, verify three things: first, measure your installation space to confirm the tank dimensions fit with clearance for plumbing and access. Second, confirm your stored liquid's specific gravity is within the tank's rating — overfilling or storing liquids heavier than the rated SG voids the warranty and risks structural failure. Third, plan your freight — tanks this size ship via LTL freight on a pallet. You'll need a way to unload at your site — a loading dock, forklift, or the driver can set it at the tailgate with a liftgate delivery (request liftgate when ordering).

Questions? Call (866) 418-1777 — our team knows these products inside and out and can help you select the right tank for your application.